
MIL-PRF-39012/28H
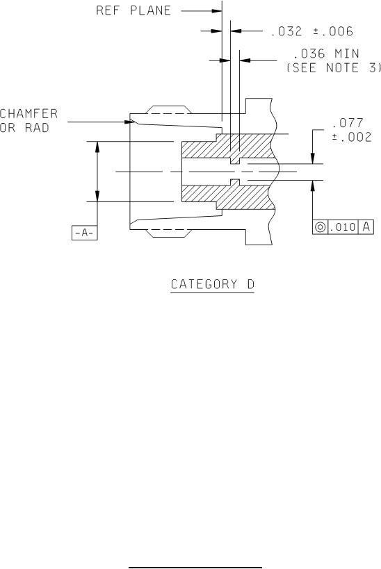
Inches
mm
.002
0.05
.006
0.15
.010
0.25
.032
0.81
.036
0.91
.077
1.96
NOTES:
1. Dimensions are in inches.
2. Metric equivalents are given for information only.
3. Chamfer is optional.
4. All undimensioned pictorial configurations are for reference purposes only.
5. Interface in accordance with MIL-STD-348 series TNC, socket contact.
FIGURE 2. Category D captivation detail.
2
For Parts Inquires submit RFQ to Parts Hangar, Inc.
© Copyright 2015 Integrated Publishing, Inc.
A Service Disabled Veteran Owned Small Business