
MIL-PRF-39012/3H
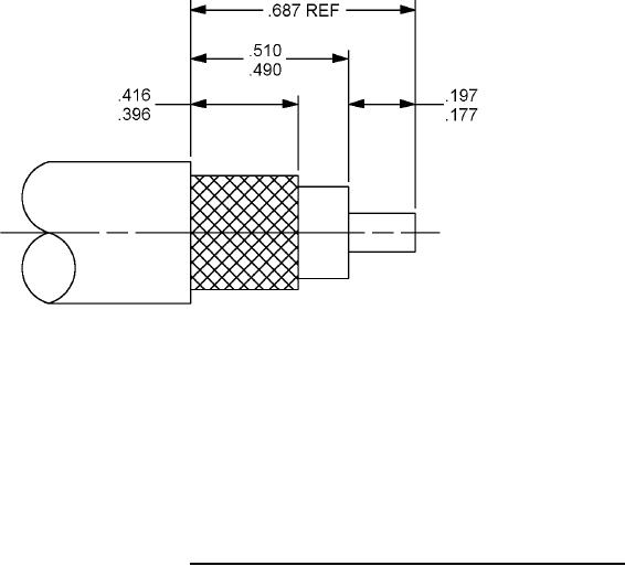
Inches
mm
.177
4.50
.197
5.00
.396
10.06
.416
10.57
.490
12.45
.510
12.95
.687
17.45
NOTES
1. Dimensions are in inches.
2. Metric equivalents are given for information only.
FIGURE 4. Cable stripping dimensions for field replaceable connectors.
ENGINEERING DATA:
Nominal impedance: 50 ohms.
Frequency range: 0 to 11 GHz.
Voltage rating
1,000 volts rms maximum working voltage at sea level.
250 volts rms maximum at 70,000 feet (4.437 kPa).
Temperature rating: -65°C to +165°C.
9
For Parts Inquires submit RFQ to Parts Hangar, Inc.
© Copyright 2015 Integrated Publishing, Inc.
A Service Disabled Veteran Owned Small Business