
MIL-PRF-39012/35H
8 June 2011
SUPERSEDING
MIL-PRF-39012/35G
26 September 1994
PERFORMANCE SPECIFICATION SHEET
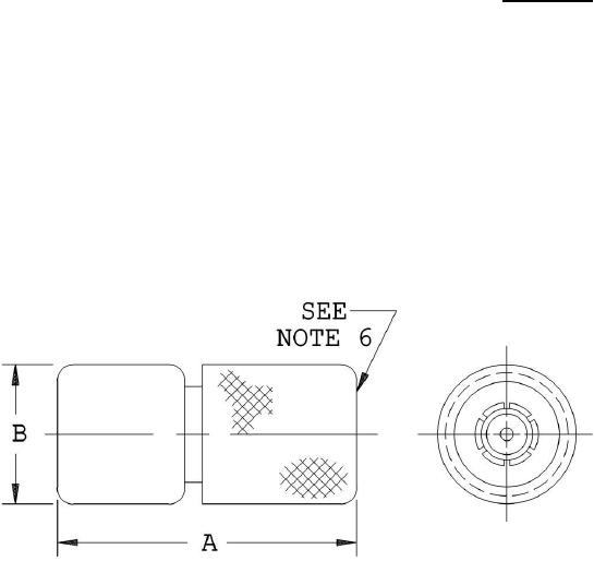
CONNECTORS, PLUG, ELECTRICAL, COAXIAL, RADIO FREQUENCY
(SERIES SC (CABLED), PIN CONTACT, CLASS 2)
This specification is approved for use by all Departments
and Agencies of the Department of Defense.
The requirements for acquiring the product described herein shall
consist of this specification sheet and MIL-PRF-39012.
Inches
mm
Inches
mm
Inches
For Parts Inquires submit RFQ to Parts Hangar, Inc.
© Copyright 2015 Integrated Publishing, Inc.
A Service Disabled Veteran Owned Small Business