
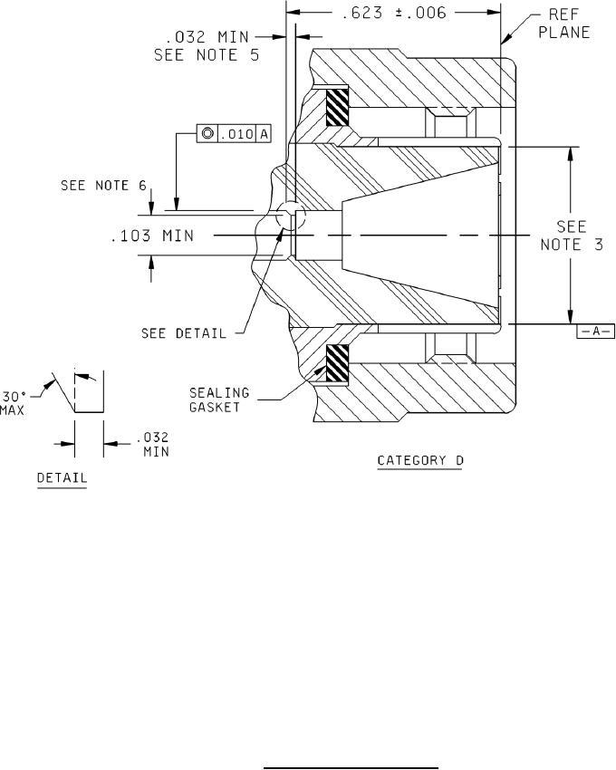
MIL-PRF-39012/35H
Inches mm
.006 0.15
.010 0.25
.032 0.81
.103 2.62
.623 15.82
NOTES:
1. Dimensions are in inches.
2. Metric equivalents are given for information only.
3. The ID of the outer contact, when inserted into a .411 inch (10.44 mm) maximum ring gauge, shall
be .377 inch (9.58 mm) minimum.
4. All undimensioned pictorial configurations are for reference purposes only.
5. Chamfer is optional. If chamfer is used, put chamfer on a 30º maximum.
6. Dimension to meet connector performance requirements.
FIGURE 2. Category D captivation detail.
2
For Parts Inquires submit RFQ to Parts Hangar, Inc.
© Copyright 2015 Integrated Publishing, Inc.
A Service Disabled Veteran Owned Small Business