
INCH-POUND
MIL-PRF-39012/39H
8 June 2011
SUPERSEDING
MIL-PRF-39012/39G
26 September 1994
PERFORMANCE SPECIFICATION SHEET
CONNECTORS, PLUGS, ELECTRICAL, COAXIAL, RADIO FREQUENCY
(SERIES SC (CABLED), PIN CONTACT, RIGHT ANGLE, CLASS 2)
This specification is approved for use by all Departments
and Agencies of the Department of Defense.
The requirements for acquiring the product described herein shall
consist of this specification sheet and MIL-PRF-39012.
NOTES:
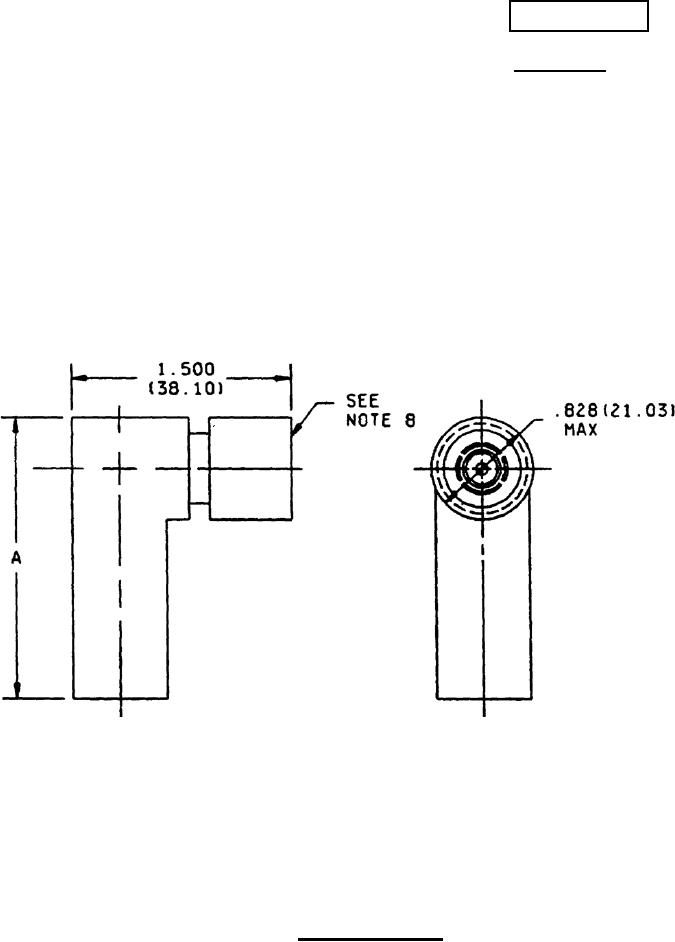
1. Dimensions are in inches.
2. Metric equivalents are given for information only.
3. For dimension A, see tables I and III.
4. Dimension A is the maximum envelope dimension.
5. Wrench flats to accommodate standard wrench in accordance with FED-STD-H28, appendix 10.
6. Dimension A defines the maximum length of the connector when assembled to the appropriate cable.
7. All undimensioned pictorial configurations are for reference purposes only.
8. Series SC, pin contacts, in accordance with MIL-STD-348.
9. Three holes .027 (0.69 mm) minimum diameter, equally spaced, are required for safety wiring after
mating. Location on the coupling nut is optional.
FIGURE 1. General configuration.
AMSC N/A
FSC 5935
For Parts Inquires submit RFQ to Parts Hangar, Inc.
© Copyright 2015 Integrated Publishing, Inc.
A Service Disabled Veteran Owned Small Business