
MIL-PRF-39012/39H
TABLE I. Dash numbers, cross-reference, and dimensions Continued.
1/
For cross-reference of dash number to superseded PIN or type designation, see table IV.
2/
The latest version of each cable shall be applicable.
3/
These connectors have captivated center contacts.
4/
These are not 50-ohm cables; therefore, when attached to the specified connectors, VSWR, RF
leakage, and insertion loss are not applicable.
5/ Cable to be used when performing tests requiring cable except as in 4/ and 6/.
6/ Cable to be used for the 200°C temperature cycling tests.
7/ These connectors are assembled, using the applicable crimp tool, to the specified cable stripper as
shown on figure 3.
8/ M22520/5-35 closure A or M22520/5-55 closure A.
9/ M22520/5-61.
10/ Complete connector assembly shall consist of a body, center contact, ferrule, and assembly
instructions.
11/ Not to be used in army equipment.
CENTER CONTACT
Inches
mm
Inches
mm
Inches
mm
Inches
mm
.001
0.03
.043
1.09
.250
6.35
.418
10.62
.002
0.05
.098
2.49
.292
7.42
.438
11.13
.003
0.08
.104
2.64
.351
8.92
.492
12.50
.005
0.13
.120
3.05
.375
9.52
.500
12.70
.015
0.38
.156
3.96
.394
10.01
.600
15.24
.031
0.79
.220
5.59
.406
10.31
.036
0.97
.234
5.94
.408
10.36
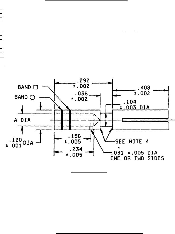
FIGURE 2. Contact and ferrule dimensions for category D only.
4
For Parts Inquires submit RFQ to Parts Hangar, Inc.
© Copyright 2015 Integrated Publishing, Inc.
A Service Disabled Veteran Owned Small Business