
INCH-POUND
MIL-PRF-39012/55H
8 June 2011
SUPERSEDING
MIL-PRF-39012/55G
6 January 2006
PERFORMANCE SPECIFICATION SHEET
CONNECTORS, PLUGS, ELECTRICAL, COAXIAL, RADIO FREQUENCY
(SERIES SMA (CABLED) - PLUG, PIN CONTACT, CLASS 2)
This specification is approved for use by all Departments
and Agencies of the Department of Defense.
The requirements for acquiring the product described herein shall consist of
this specification sheet and MIL-PRF-39012.
MARKING IMPLEMENTATION DATE,
CATEGORY B, SEE TABLE VII
NOTES:
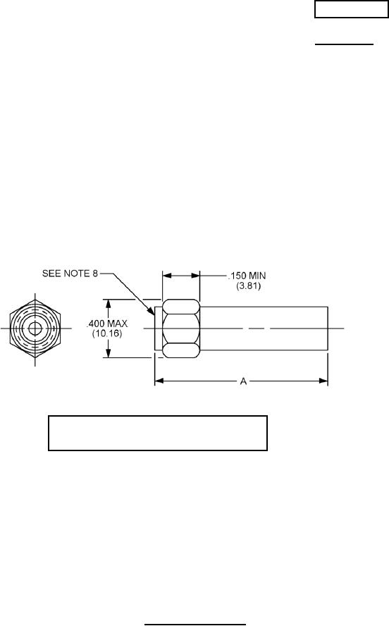
1. Dimensions are in inches.
2. Metric equivalents are given for information only.
3. For dimension A, see tables I and V.
4. Dimension .400 (10.16 mm) is the largest overall diameter of the connector.
5. Width across flats are to accommodate wrench, nominal size of .3125 (7.938 mm) minimum in
accordance with FED-STD-H28, wrench openings.
6. Dimension A defines the overall length of the connector when assembled to the cable.
7. All undimensioned pictorial configurations are for reference purposes only.
8. Series SMA, pin contact interface in accordance with MIL-STD-348.
9. Metric equivalents are in parentheses.
FIGURE 1. General configuration.
AMSC N/A
FSC 5935
For Parts Inquires submit RFQ to Parts Hangar, Inc.
© Copyright 2015 Integrated Publishing, Inc.
A Service Disabled Veteran Owned Small Business