
MIL-PRF-39012/55H
Inches
mm
Inches
mm
.001
0.03
.050
1.27
.002
0.05
.062
1.57
.003
0.08
.100
2.54
.005
0.13
.133
3.38
.010
0.25
.153
3.89
.015
0.38
.193
4.90
.024
0.61
.220
5.59
.025
0.64
.250
6.35
.038
0.97
.421
10.69
.041
1.04
.500
12.70
NOTES :
1. Dimensions are in inches.
2. Metric equivalents are given for information only.
3. Crimp tensile test shall be in accordance with SAE-AS39029.
4. Copyright notice: All information disclosed in these specification sheets which is or may be
copyrighted is reproduced herein with the express permission of the copyright owner.
5. .003 inch maximum break.
6. Color bands shall be positioned so that no coloring material enters the inspection hole.
FIGURE 3. Contact and ferrule dimensions for category D only Continued.
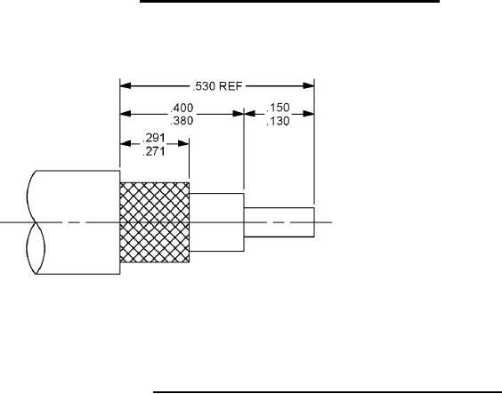
Inches
mm
.130
3.30
.150
3.81
.271
6.88
.291
7.39
.380
9.65
.400
10.16
.530
13.46
NOTES :
1. Dimensions are in inches.
2. Metric equivalents are given for information only.
FIGURE 4. Cable stripping dimensions for field replaceable connectors.
6
For Parts Inquires submit RFQ to Parts Hangar, Inc.
© Copyright 2015 Integrated Publishing, Inc.
A Service Disabled Veteran Owned Small Business