
INCH-POUND
MIL-PRF-39012/71B
16 November 2011
SUPERSEDING
MIL-PRF-39012/71A
24 September 1986
PERFORMANCE SPECIFICATION SHEET
CONNECTORS, RECEPTACLES, ELECTRICAL, COAXIAL, RADIO FREQUENCY,
SERIES SMB (UNCABLED, MALE, JAMNUT MOUNTED, CLASS 2)
This specification is approved for use by all Departments
and Agencies of the Department of Defense.
The requirements for acquiring the product described herein shall
consist of this specification sheet and MIL-PRF-39012.
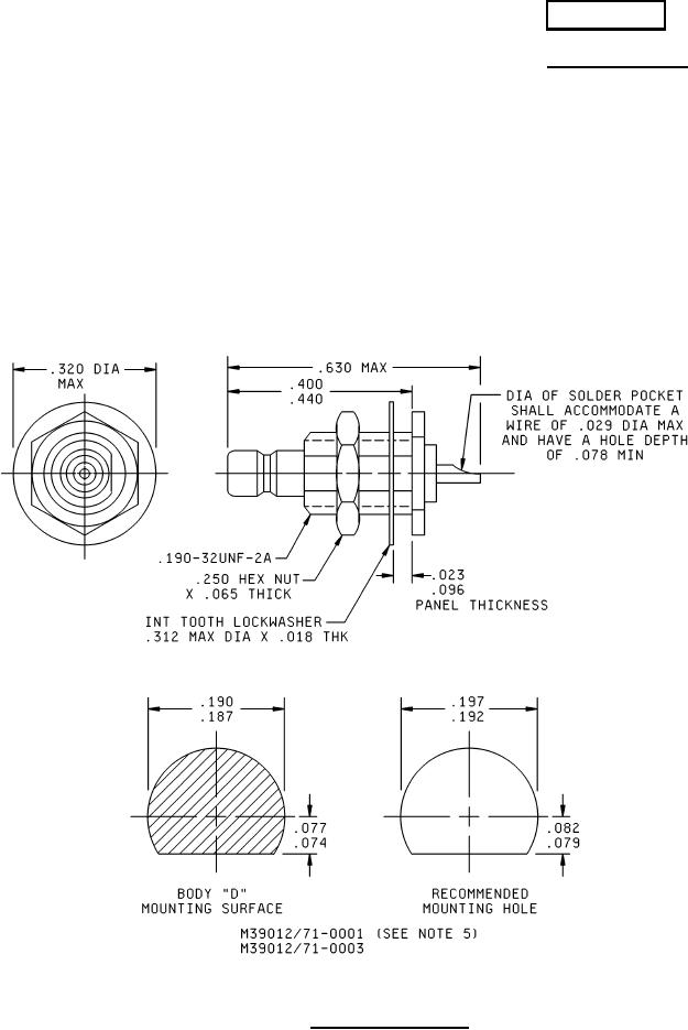
FIGURE 1. General configuration.
AMSC N/A
FSC 5935
For Parts Inquires submit RFQ to Parts Hangar, Inc.
© Copyright 2015 Integrated Publishing, Inc.
A Service Disabled Veteran Owned Small Business