emilspec
An Integrated Publishing, Inc. Site
eMilSpec
An Integrated Publishing Website
MIL-PRF-39012-71 Connectors, Receptacles, Electrical, Coaxial, Radio Frequency, Series Smb \(Uncabled, Male, Jamnut Mounted, Class 2\)
Pages
1
-
2
-
3
-
4
-
5
-
6
MIL-PRF-39012/71B
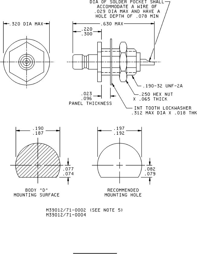
FIGURE 1. General configuration
Continued.
2
For Parts Inquires submit RFQ to
Parts Hangar, Inc.
© Copyright 2015 Integrated Publishing, Inc.
A Service Disabled Veteran Owned Small Business