MS24286E

Environment Resistant (R) Receptacles
Shell size |
D ±.005 |
E ±.004 |
F ±.005 |
G |
A |
4.296 |
3.875 |
3.375 |
3.215 |
B |
2.866 |
2.445 |
1.948 |
1.821 |
C |
2.421 |
2.000 |
1.516 |
1.292 |
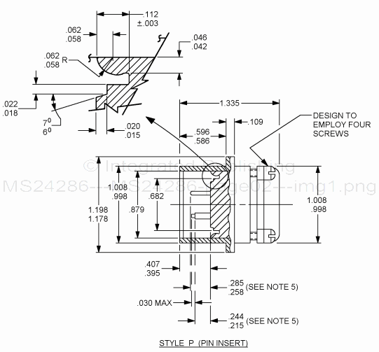
FIGURE 1. Connector dimensions and configurations - Continued.
2
For Parts Inquires submit RFQ to Parts Hangar, Inc.
© Copyright 2015 Integrated Publishing, Inc.
A Service Disabled Veteran Owned Small Business