DETAIL SPECIFICATION SHEET CONNECTOR, RECEPTACLE, ELECTRICAL, JAM NUT
MOUNTING, CRIMP TYPE, BAYONET COUPLING, SERIES II
This specification is approved for use by all Departments and Agencies of the Department of Defense.
The requirements for acquiring the product described herein shall consist of this specification and MIL-DTL-38999.
INCH-POUND MS27481F
12 July 2002
SUPERSEDING MS27481E
13 August 1974
Inactive for new design.

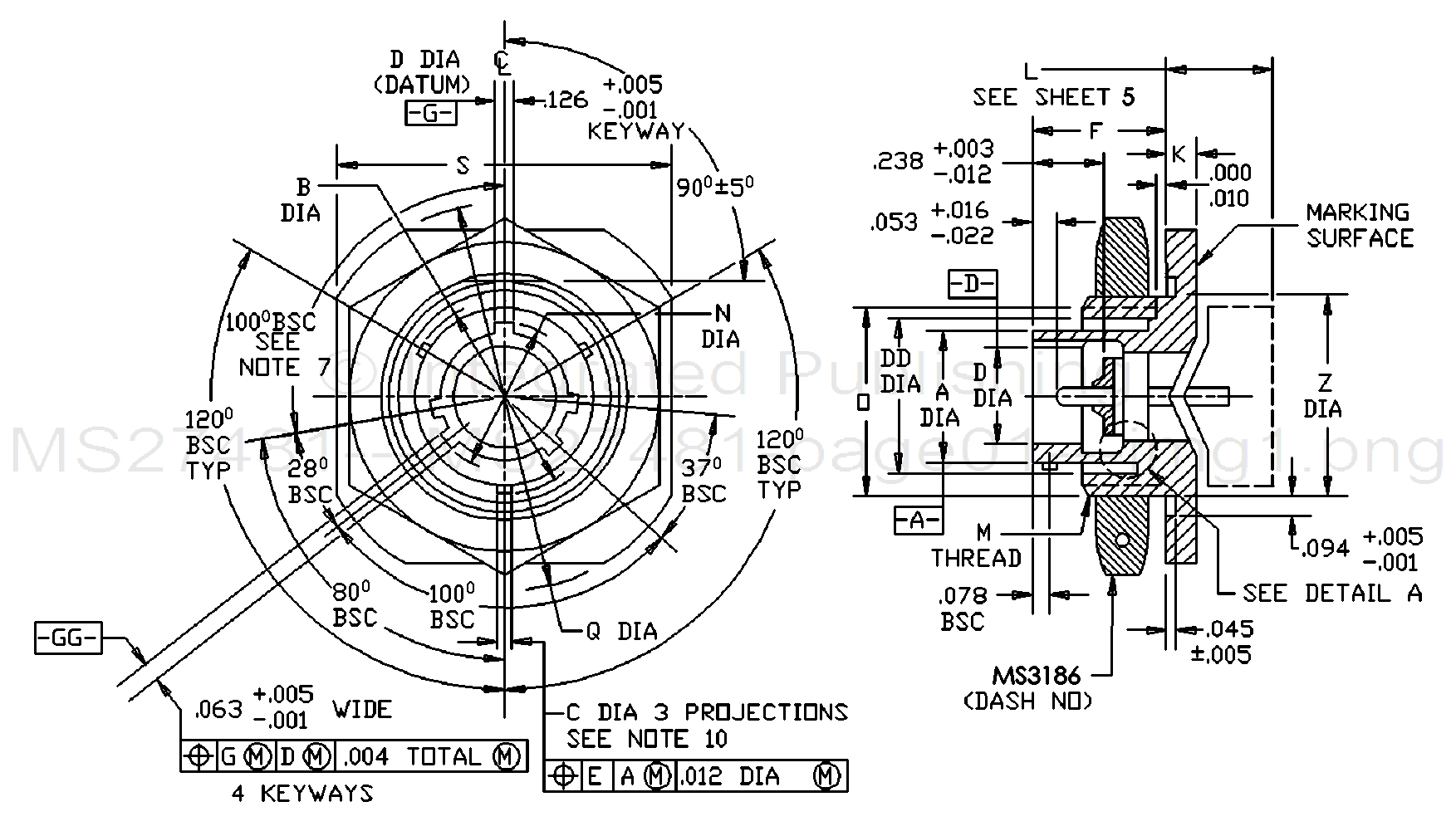
FIGURE 1. Receptacle, classes E and T.
AMSC N/A 1 of 6 FSC 5935
DISTRIBUTION STATEMENT A. Approved for public release; distribution is unlimited.
For Parts Inquires submit RFQ to Parts Hangar, Inc.
© Copyright 2015 Integrated Publishing, Inc.
A Service Disabled Veteran Owned Small Business