MS27481F

Shell size |
A dia +.001 -.005 |
B dia +.000 -.016 over proj |
c dia +.006 -.002 |
D dia +.005 -.001 |
F ±.005 |
I dia ±.005 |
K +.011 -.010 |
M thd class 2A Plated |
N dia +.005 -.006 |
8 |
.473 |
.563 |
.078 |
.362 |
.438 |
.285 |
.094 |
.875 - 20 UNEF |
.412 |
10 |
.590 |
.680 |
.490 |
.413 |
1.000 - 20 UNEF |
.540 |
|||
12 |
.750 |
.859 |
.607 |
.527 |
1.125 - 18 UNEF |
.689 |
|||
14 |
.875 |
.984 |
.732 |
.652 |
1.250 - 18 UNEF |
.814 |
|||
16 |
1.000 |
1.103 |
.857 |
.777 |
1.375 - 18 UNEF |
.939 |
|||
18 |
1.125 |
1.233 |
.962 |
.866 |
1.500 - 18 UNEF |
1.039 |
|||
20 |
1.250 |
1.358 |
.125 |
1.087 |
.464 |
.991 |
1.625 - 18 UNEF |
1.164 |
|
22 |
1.375 |
1.483 |
1.212 |
1.116 |
1.750 - 18 UNS |
1.289 |
|||
24 |
1.500 |
1.610 |
1.337 |
1.241 |
1.875 - 16 UN |
1.414 |
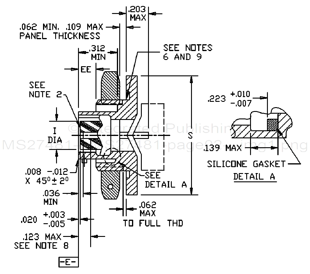
FIGURE 1. Receptacle, classes E and T - continued.
2
For Parts Inquires submit RFQ to Parts Hangar, Inc.
© Copyright 2015 Integrated Publishing, Inc.
A Service Disabled Veteran Owned Small Business