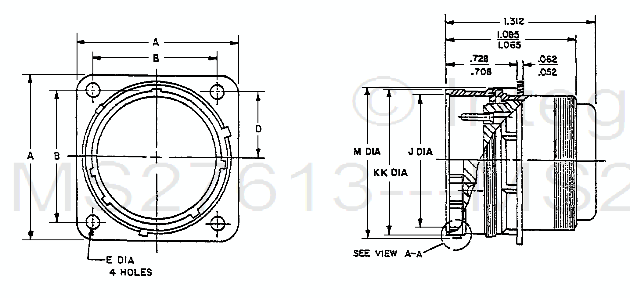
MS27613F

FIGURE 1. Receptacle dimensions - Continued.
5
For Parts Inquires submit RFQ to Parts Hangar, Inc.
© Copyright 2015 Integrated Publishing, Inc.
A Service Disabled Veteran Owned Small Business
MS27613F

FIGURE 1. Receptacle dimensions - Continued.
5