MS27613F

Inches |
mm |
Inches |
mm |
.015 |
0.38 |
.378 |
9.60 |
.025 |
0.64 |
.392 |
9.96 |
.052 |
1.32 |
.490 |
12.45 |
.054 |
1.37 |
.540 |
12.85 |
.062 |
1.57 |
.560 |
13.72 |
.084 |
2.13 |
.708 |
17.98 |
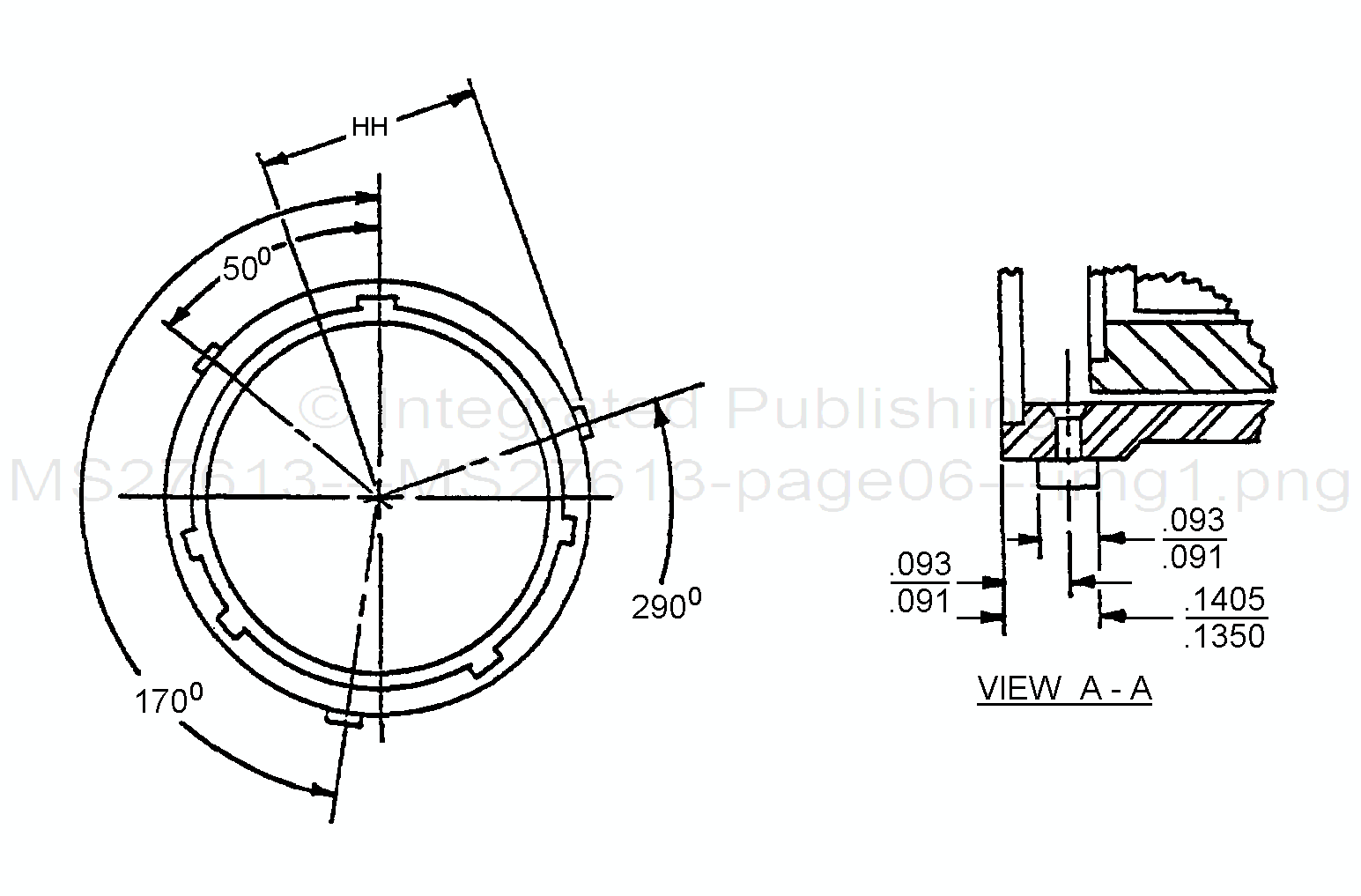
.089 .091 .093 |
2.26 2.31 2.36 |
.728 1.065 1.085 |
18.49 27.05 27.56 |
.133 .1350 .1405 |
3.38 3.429 3.569 |
1.750 |
44.45 |
.153 |
3.39 |
||
.155 |
3.94 |
||
.169 |
4.29 |
FIGURE 1. Receptacle dimensions - Continued.
6
For Parts Inquires submit RFQ to Parts Hangar, Inc.
© Copyright 2015 Integrated Publishing, Inc.
A Service Disabled Veteran Owned Small Business