INCH-POUND
MS3112H
1 March 2007
SUPERSEDING MS3112G
30 July 1979
DETAIL SPECIFICATION SHEET
CONNECTORS, RECEPTACLE, ELECTRICAL, BOX MOUNTING, FLANGE, BAYONET COUPLING, SOLDER CONTACT, SERIES 1
Inactive for new design after 15 December 1998. For new design, use MS3470.
This specification is approved for use by all Departments and
Agencies of the Department of Defense.
The requirements for acquiring the product described herein shall consist of this specification sheet and MIL-DTL-26482.

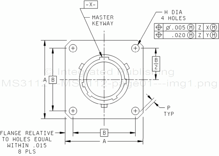
FIGURE 1. Receptacle.
AMSC N/A FSC 5935
For Parts Inquires submit RFQ to Parts Hangar, Inc.
© Copyright 2015 Integrated Publishing, Inc.
A Service Disabled Veteran Owned Small Business