An Integrated Publishing, Inc. Site
An Integrated Publishing Website
Pages 1 - 2 - 3 - 4 - 5 - 6
MS3112H
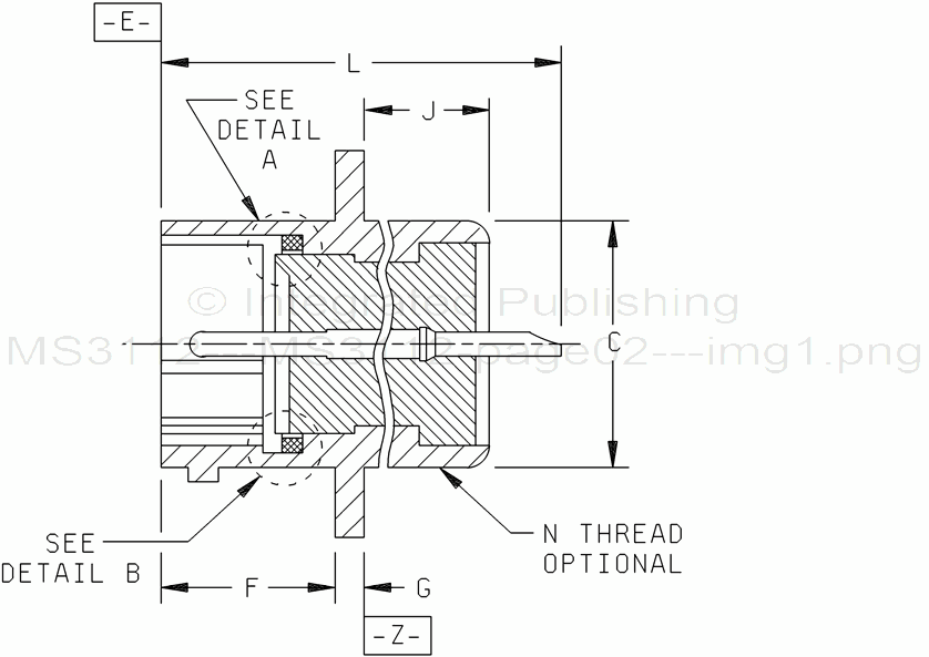
FIGURE 1. Receptacle - Continued.
2