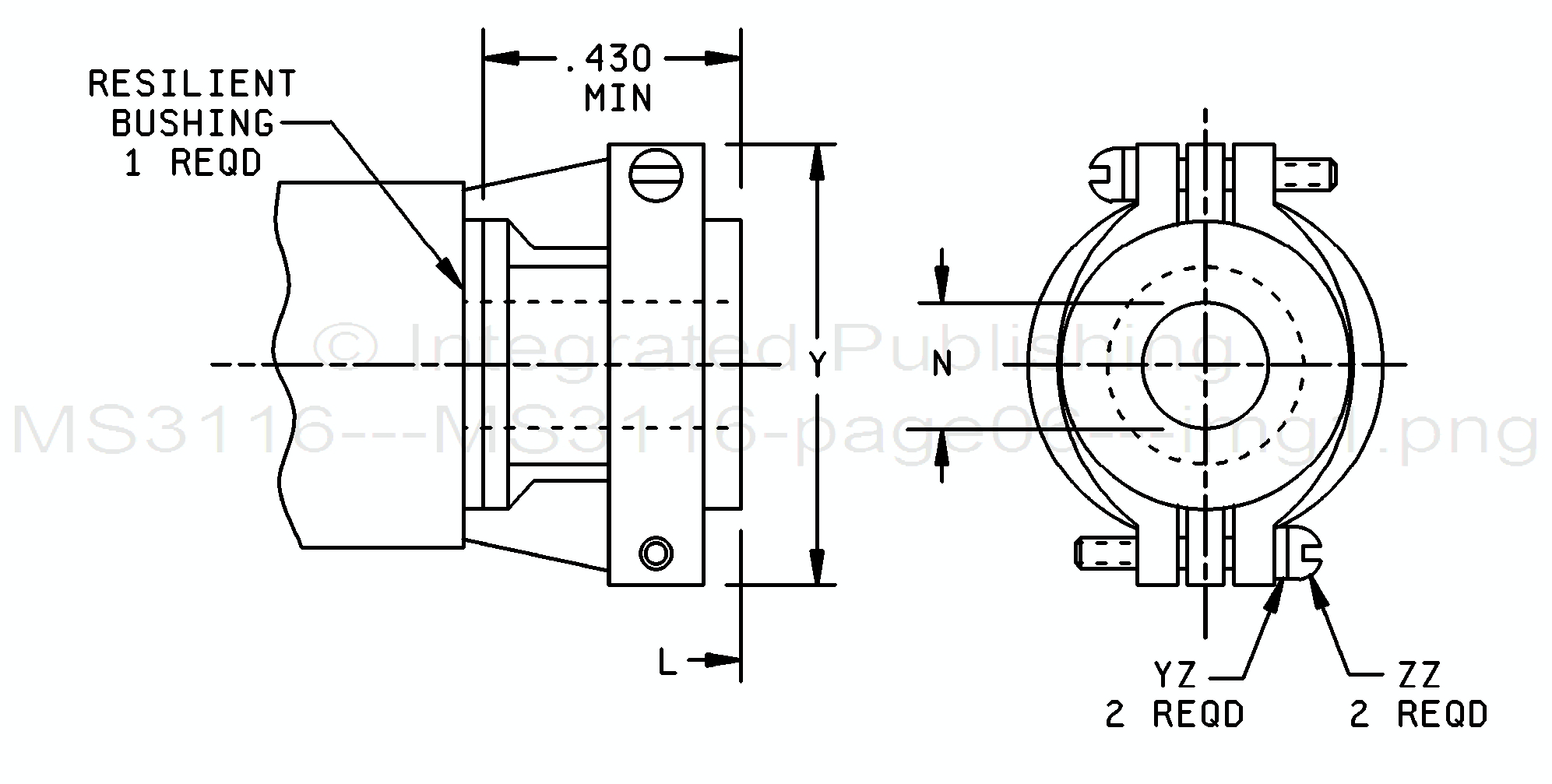
MS3116E

CLASS F, WITH BUSHING

CLASS F, WITH BUSHING REMOVED
FIGURE 3. Plug, rear accessories configurations, class F.
6
For Parts Inquires submit RFQ to Parts Hangar, Inc.
© Copyright 2015 Integrated Publishing, Inc.
A Service Disabled Veteran Owned Small Business