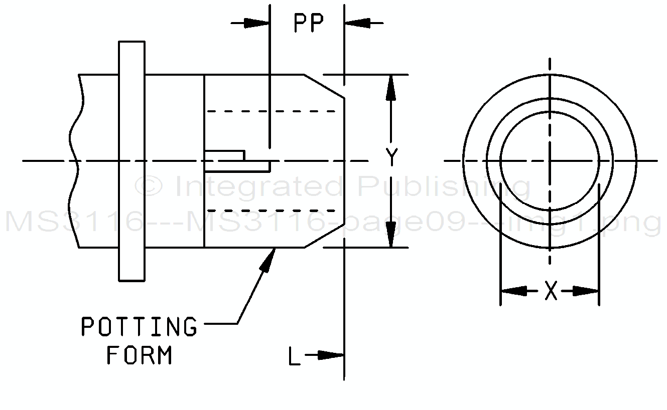
MS3116E

Shell size |
L max overall length |
x dia min ID |
y dia max OD |
PP min |
8 |
1.500 (38.10) |
.317 (8.05) |
.608 (15.44) |
.250 (6.35) |
10 |
.434 (11.02) |
.734 (18.64) |
||
12 |
.548 (13.92) |
.858 (21.79) |
||
14 |
.673 (17.09) |
.984 (24.99) |
||
16 |
.798 (20.27) |
1.110 (28.19) |
||
18 |
.899 (22.83) |
1.234 (31.34) |
||
20 |
1.609 (40.87) |
1.024 (26.01) |
1.360 (34.54) |
|
22 |
1.149 (29.18) |
1.484 (37.69) |
||
24 |
1.687 (42.85) |
1.274 (32.36) |
1.610 (40.89) |
NOTES:
1. Dimensions are in inches.
2. Metric equivalents are given for information only.
3. True position (TP) tolerances specified are in accordance with ASME-y14.5.
FIGURE 5. Plug, rear accessories configurations, class P.
9
For Parts Inquires submit RFQ to Parts Hangar, Inc.
© Copyright 2015 Integrated Publishing, Inc.
A Service Disabled Veteran Owned Small Business