INCH-POUND
MS3126G
07 November 2007 SUPERSEDING MS3126F
06 June 2003
DETAIL SPECIFICATION SHEET
CONNECTORS, PLUG, ELECTRICAL, CRIMP TYPE, STRAIGHT, BAYONET COUPLING
Inactive for new design after 5 September 1975. For new design, use MS3476.
This specification is approved for use by all Departments and Agencies of the Department of Defense. The requirements for acquiring the product described herein shall consist of this specification sheet and
MIL-DTL-26482.

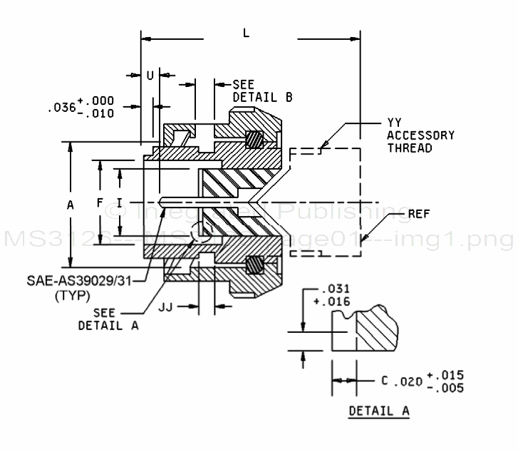
Plug, style P (Pin insert)
FIGURE 1. Dimensions for classes E, F, and P.
AMSC N/A FSC 5935
For Parts Inquires submit RFQ to Parts Hangar, Inc.
© Copyright 2015 Integrated Publishing, Inc.
A Service Disabled Veteran Owned Small Business