MS3126G


Inches |
mm |
.430 |
10.92 |
Bushing removed
FIGURE 3. Dimensions for class F.
8
For Parts Inquires submit RFQ to Parts Hangar, Inc.
© Copyright 2015 Integrated Publishing, Inc.
A Service Disabled Veteran Owned Small Business
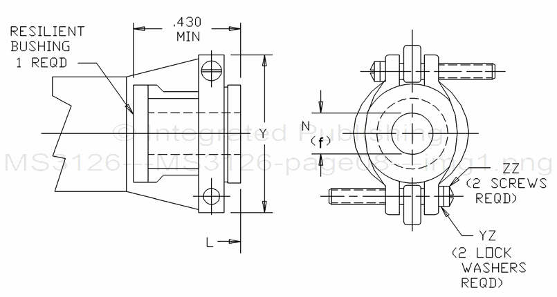
MS3126G


Inches |
mm |
.430 |
10.92 |
Bushing removed
FIGURE 3. Dimensions for class F.
8