INCH-POUND
MS90558G
21 November 2012
SUPERSEDING MS90558F
30 April 2009
DETAIL SPECIFICATION SHEET
CONNECTOR, PLUG, ELECTRICAL, WALL MOUNTING, (WITH COUPLING RING), CLASS L, (EQUIPMENT)
This specification is approved for use by all Departments and Agencies of the Department of Defense.
The requirements for acquiring the product described herein shall consist of this specification sheet and MIL-DTL-22992.

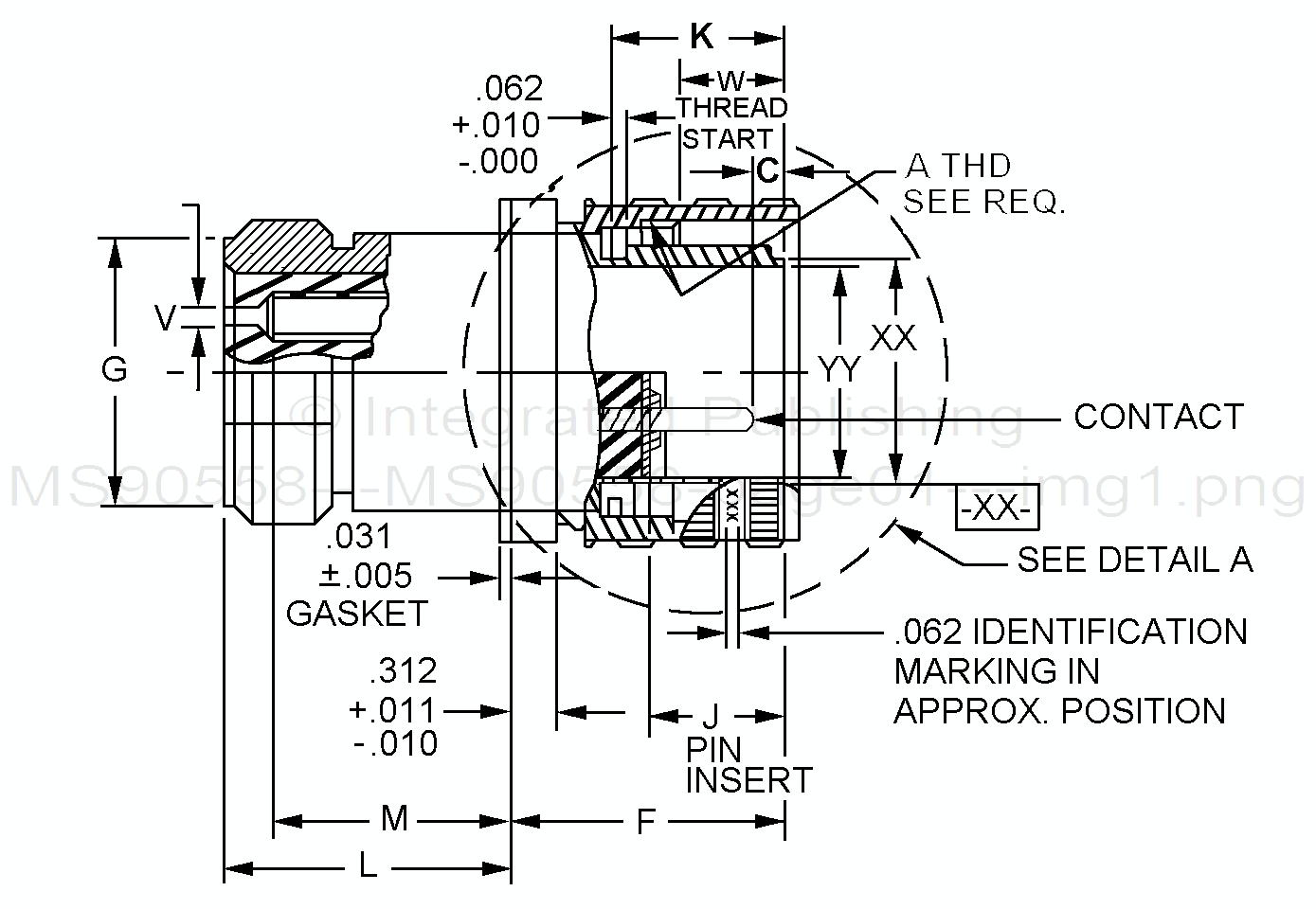
FIGURE 1. Plug.
AMSC N/A FSC 5935
For Parts Inquires submit RFQ to Parts Hangar, Inc.
© Copyright 2015 Integrated Publishing, Inc.
A Service Disabled Veteran Owned Small Business