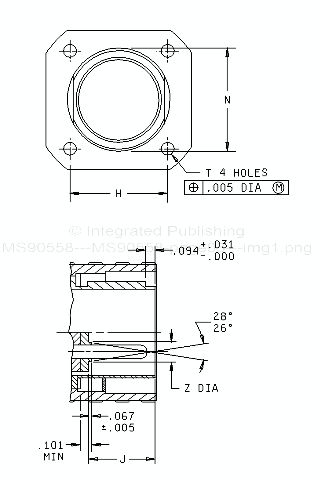
MS90558G

Inches |
mm |
.101 |
2.57 |
.094 |
2.39 |
.067 |
1.70 |
.031 |
0.79 |
.005 |
0.127 |
FIGURE 1. Plug - Continued.
3
For Parts Inquires submit RFQ to Parts Hangar, Inc.
© Copyright 2015 Integrated Publishing, Inc.
A Service Disabled Veteran Owned Small Business