
INCH-POUND
MIL-DTL-12883/44D
18 February 2003
SUPERSEDING
MIL-PRF-12883/44C
28 June 1996
DETAIL SPECIFICATION SHEET
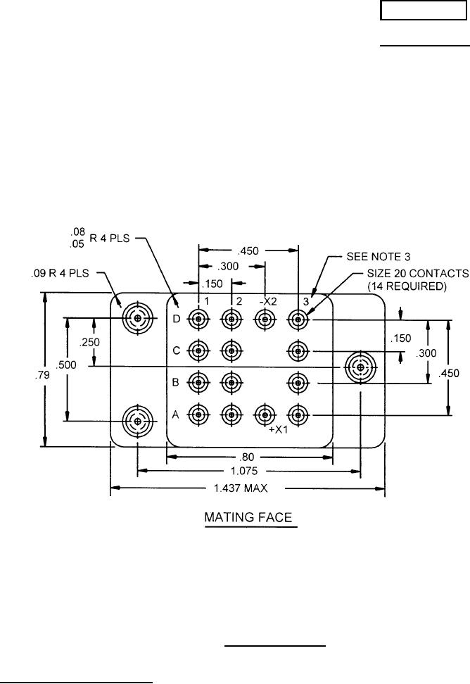
SOCKETS, PLUG-IN ELECTRONIC COMPONENTS, SOCKET FOR RELAYS, 4-POLE, 5 AMPERES
(MIL-PRF-6106 AND MIL-PRF 83536)
This specification is approved for use by all Departments and Agencies of the Department of Defense.
The requirements for acquiring the product described herein
shall consist of this specification and MIL-DTL-12883.
FIGURE 1. Socket configurations.
AMSC N/A
1 of 10
FSC 5935
DISTRIBUTION STATEMENT A. Approved for public release; distribution is unlimited.