
MIL-DTL-12883/44D
(01, -02, -03, and-04)
Inches
mm
Inches
mm
Inches
mm
.001
0.03
.088
2.24
.375
9.53
.002
0.05
.093
2.36
.450
11.43
.005
0.13
.112
2.84
.500
12.70
.015
0.38
.150
3.81
.570
14.48
.037
0.94
.164
4.17
.665
16.89
.05
1.3
.187
4.75
.695
17.65
.050
1.27
.230
5.84
.760
19.30
.062
1.57
.250
6.35
.770
19.59
.063
1.60
.280
7.11
.79
20.07
.08
2.0
.290
7.37
1.075
27.31
.300
7.62
1.437
36.50
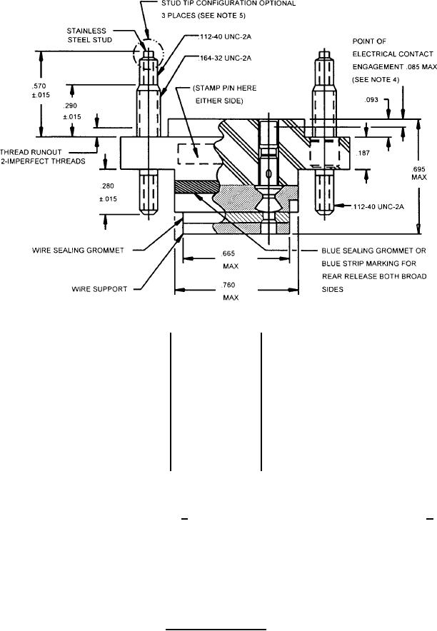
NOTES:
1. Dimensions are in inches.
2. Unless otherwise specified, tolerance is + .005 inch (0.13 mm) for three place decimals and + .01
inch (0.25 mm) for two place decimals.
3. Marking shall be characters, which are molded .035 inch (0.89 mm) minimum. Ink marking optional
(see MIL-STD-1285).
4. Point of electrical contact engagement, from mating face of socket insulator to the socket contact.
5. The configuration of the stud tip shall be optional provided it meets all requirements of this
specification.
6. Metric equivalents are given for general information only.
FIGURE 1. Socket configuration Continued
4