
INCH-POUND
MIL-DTL-12883/48D
18 February 2003
SUPERSEDING
MIL-PRF-12883/48C
16 December 1999
DETAIL SPECIFICATION SHEET
SOCKET, PLUG-IN ELECTRONIC COMPONENTS,
FOR RELAYS, 3-POLE, 25 AMPERES
(MIL-PRF-83536/32 AND /33)
This specification is approved for use by all Departments and Agencies of the Department of Defense.
The requirements for acquiring the product described herein
shall consist of this specification and MIL-DTL-12883.
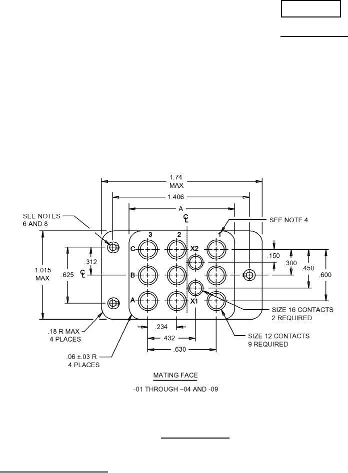
FIGURE 1. Socket configuration.
AMSC N/A
1 of 14
FSC 5935
DISTRIBUTION STATEMENT A. Approved for public release; distribution is unlimited.
For Parts Inquires submit RFQ to Parts Hangar, Inc.
© Copyright 2015 Integrated Publishing, Inc.
A Service Disabled Veteran Owned Small Business