
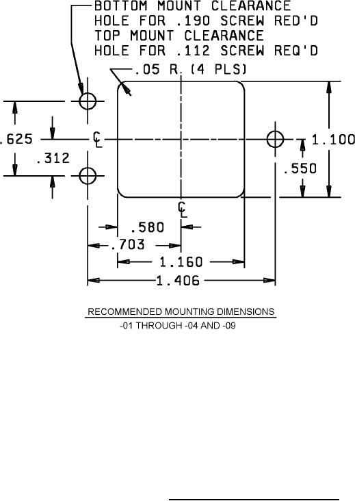
MIL-DTL-12883/48D
Inches
mm
.05
1.27
.112
2.84
.190
4.83
.312
7.92
.550
13.97
.580
14.73
.625
15.88
.703
17.86
1.100
27.94
1.160
29.46
1.406
35.71
FIGURE 2. Recommended mounting dimensions.
4
For Parts Inquires submit RFQ to Parts Hangar, Inc.
© Copyright 2015 Integrated Publishing, Inc.
A Service Disabled Veteran Owned Small Business