
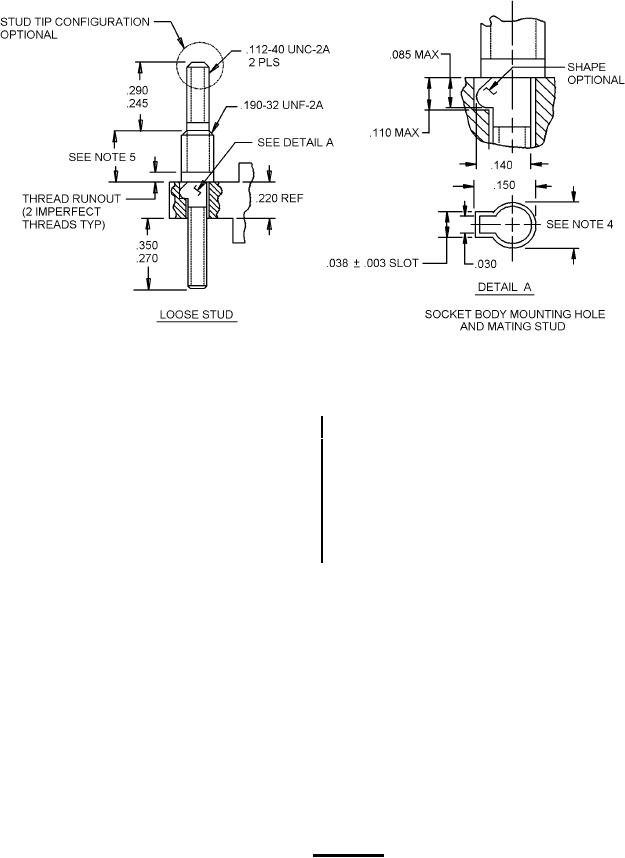
MIL-DTL-12883/48D
Inches
mm
Inches
mm
.003
0.08
.150
3.81
.030
0.76
.190
4.83
.038
0.97
.220
5.59
.085
2.15
.245
6.22
.110
2.79
.270
6.86
.112
2.84
.290
7.37
.140
3.56
.350
8.89
NOTES:
1. Dimensions are in inches.
2. Metric equivalents are for general information only.
3. Unless otherwise specified, tolerances are ± .005 inch (0.13 mm) for three place decimals and ± .01
inch (0.25 mm) for two place decimals.
4. The diameter for the socket body mounting hole shall be:
-03 and -07 diameter shall be .125 ± .003 inch (3.18 ±0.08 mm)
-01 and -05 diameter shall be .116 ± .003 inch (2.95 ±0.08 mm).
5. Length from top of socket flange to base of .112-40 UNC-20 thread loose stud:
-03, -04, -07, and 08 length shall be .318 ± .010 inch (8.08 ± 0.25 mm)
-02, -05, -06, -09, and 10 length shall be .290 ± .010 inch (7.37 ±0.25 mm).
FIGURE 5. Stud loose.
7
For Parts Inquires submit RFQ to Parts Hangar, Inc.
© Copyright 2015 Integrated Publishing, Inc.
A Service Disabled Veteran Owned Small Business