
INCH-POUND
MIL-DTL-12883/55A
18 February 2003
SUPERSEDING
MIL-PRF-12883/55
24 January 1996
DETAIL SPECIFICATION SHEET
SOCKETS, PLUG-IN ELECTRONIC COMPONENTS
SOCKET FOR MIL-PRF-6106 RELAYS
This specification is approved for use by all Departments and Agencies of the Department of Defense.
The requirements for acquiring the product described herein
shall consist of this specification and MIL-DTL-12883.
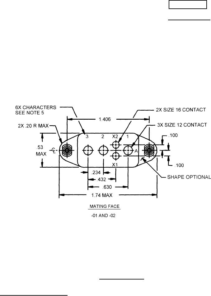
FIGURE 1. Socket configurations.
AMSC N/A
1 of 9
FSC 5935
DISTRIBUTION STATEMENT A. Approved for public release; distribution is unlimited.