
MIL-DTL-12883/55A
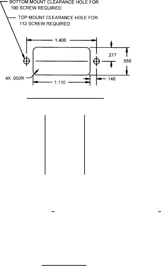
Recommended mounting dimensions
Inches
mm
Inches
mm
Inches
mm
10.97
.432
5.08
.20
1.27
.050
13.46
.53
.220
5.59
2.36
.093
14.11
.555
.234
5.94
2.54
.100
16.00
.630
.245
6.22
2.84
.112
22.61
.89
.290
7.37
2.97
.117
25.40
1.00
.29
7.4
3.30
.130
27.56
1.085
.265
6.73
3.76
.148
28.19
1.110
7.04
.277
3.81
.150
35.71
1.406
8.89
.350
4.83
.190
44.20
1.74
NOTES:
1. Dimensions are in inches.
2. Metric equivalents are given for general information only.
3. Unless otherwise specified, tolerance is + .005 inch (0.13 mm) for three place decimals and + .01
inch (0.25 mm) for two place decimals.
4. Wire sealing grommet may not fully cover socket body.
5. Marking shall be characters which are molded .035 inch (0.89 mm) minimum. Ink marking optional
(see MIL-STD-1285).
6. Point of electrical contact engagement, from mating face of socket insulator to the socket contact.
7. For mating relay see table I.
8. For socket mounting see figure 2.
FIGURE 1. Socket configurations Continued.
3