
MIL-DTL-12883F
APPENDIX
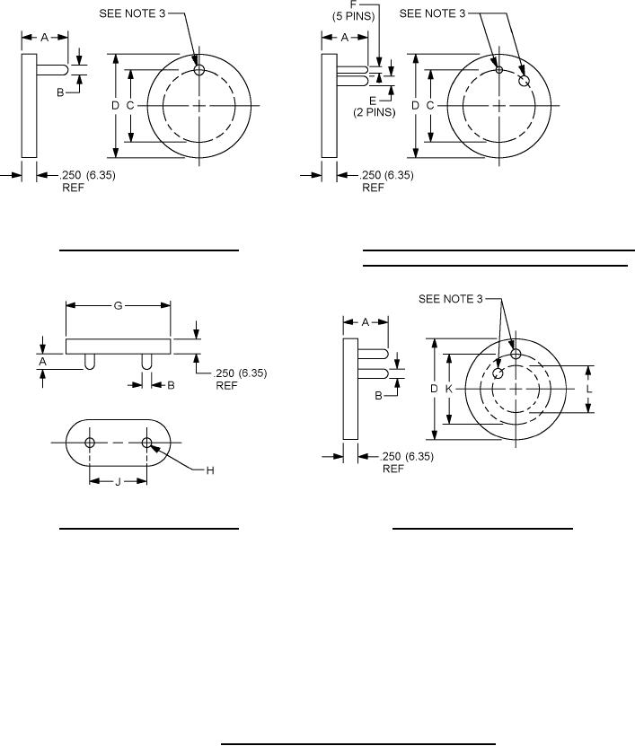
For MIL-DTL-12883/1, MIL-DTL-12883/2, and
For MIL-DTL-12883/5 sockets
MIL-DTL-12883/3 sockets + /8, /9, /10, & /11
For MIL-DTL-12883/6 sockets
For MIL-DTL-12883/4 sockets
NOTES:
1. Dimensions are in inches.
2. The quantity of pins and their angular distribution around the pin circle, and the values for dimension
A, B, E, F, G, H, J, K and L, are as specified in the specification sheet for the particular socket.
3. The pins shall be steel, hardened to Rockwell C55-65 and polished to a 4 microinch (0.102 µm) finish
in accordance with ANSI B46.1. Ends of pins shall be hemispherical, and the hemisphere shall be
smoothly blended into the pin cylinder without shoulders or tapering. The end of the pin may be flat
for not more than one-quarter of the pin cylinder.
4. All pins shall be affixed to gauge body, or to steel retainer when present, within .001 of true position
at the base and at the extremity of the pins.
FIGURE 1. Insertion/withdrawal and durability test gauges.
26
For Parts Inquires submit RFQ to Parts Hangar, Inc.
© Copyright 2015 Integrated Publishing, Inc.
A Service Disabled Veteran Owned Small Business