
MIL-DTL-12883F
APPENDIX
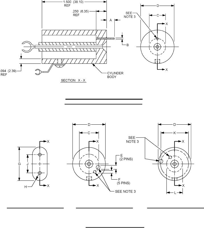
For all sockets except MIL-DTL-12883/4,
MIL-DTL-12883/5, and MIL-DTL-12883/6.
For MIL-DTL-12883/5 sockets
For MIL-DTL-12883/6 sockets
For MIL-DTL-12883/4 sockets
FIGURE 2. Contact/resistance test gauges.
27
For Parts Inquires submit RFQ to Parts Hangar, Inc.
© Copyright 2015 Integrated Publishing, Inc.
A Service Disabled Veteran Owned Small Business