
MIL-DTL-24231/1E(SH)
125 ALL OVER EXCEPT
AS SHOWN.
0.812
1
16R
1.088-12UN-2A
1
4
30°
5
DRILL THRU
16
Ø1.300
1.092
Ø13
Ø1.088 Ø0.891
4
1
16
32
32
DISK INSULATING,
1
1
8
2
1
16 THK X 0.901 DIA
3
16
PRESS FIT
M24231/1-021 7
0.500
0.437
119
6
+0.001
0.051R -0.001
0.449
0.443
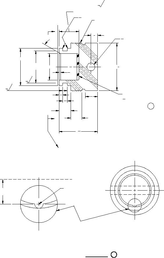
FIGURE 2. Sealing plug.
8
3
For Parts Inquires submit RFQ to Parts Hangar, Inc.
© Copyright 2015 Integrated Publishing, Inc.
A Service Disabled Veteran Owned Small Business