
MIL-DTL-24231/1E(SH)
2.358
2.328
2.140
2.110
+0.000
0.187 -0.005
125 ALL OVER EXCEPT
3
32
AS SHOWN.
0.500
32
0.062
Ø1.479
15°
30° APPROX
+0.000
Ø1.313 Ø0.874 -0.005 Ø0.750+0.005
* 19
Ø1.031
32
1.309
-0.000
32
1
32R
0.047R
ROUND ALL EDGES
0.045
+0.000
0.484 -0.009
7
MIN
16
FORM TO SHAPE
1
* ENLARGE AS REQUIRED
2
AS SHOWN
TO SUIT CABLE DIAMETER
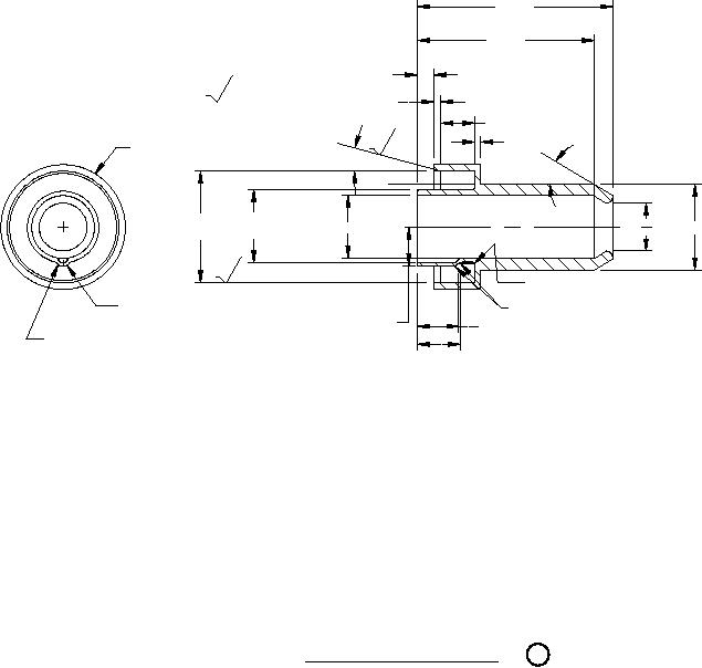
FIGURE 3. Plug sleeve M24231/1-010.
4
4
For Parts Inquires submit RFQ to Parts Hangar, Inc.
© Copyright 2015 Integrated Publishing, Inc.
A Service Disabled Veteran Owned Small Business