
MIL-DTL-24231/12E(SH)
0.445
+0.001
0.051 -0.001R
DETAIL A-2
30°
30°
+0.002
0.025 -0.002
SEE DETAIL A-2
DETAIL A-1
VIEW A-A
+0.000
Ø0.120 -0.005 HOLE
11
232
0.187 DEEP. DO
15
NOT PENETRATE. 0.500
0.437
16
7
1
8
32
A
32
1
32R
32
1.302
13
0.989
0.876
1.298
8
0.979
0.872
5
+0.004
8
+0.002
1.088-0.000
0.046R
1.114 -0.002
0.891
0.046
0.062
32
30°
*
PIN, GUIDE
1
8
A
32
WELD.
3
+0.002
16
0.064 -0.002
0.781
1
1.688-12UN-2A
8
29
32
* SEE DETAIL A-1
ALL OVER
125
2.219
EXCEPT AS SHOWN.
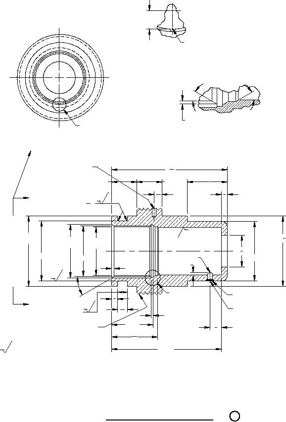
FIGURE 2. Receptacle, body M24231/12-010.
5
3
For Parts Inquires submit RFQ to Parts Hangar, Inc.
© Copyright 2015 Integrated Publishing, Inc.
A Service Disabled Veteran Owned Small Business