
MIL-DTL-24231/12E(SH)
1
8
1
3
UNDERCUT TO
1
4
32
16
ROOT OF THREAD
15°
+0.002
Ø1.312 -0.002
2
1.688-12UN-2B
45°
32
0.500
0.437
0.125
111
6
ALL OVER EXCEPT
125
AS SHOWN
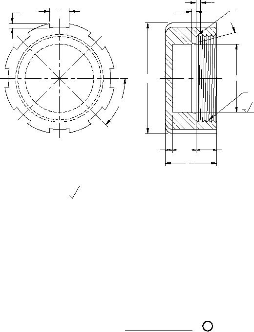
FIGURE 3. Cap M24231/12-011.
16
4
For Parts Inquires submit RFQ to Parts Hangar, Inc.
© Copyright 2015 Integrated Publishing, Inc.
A Service Disabled Veteran Owned Small Business