
MIL-DTL-24231/9E(SH)
Ø23 SEE NOTE 3
4
Ø1.617
1.613
Ø1.405
+0.000
32
1.401
Ø0.120 -0.005 HOLE,
0.187 DEEP, DO NOT
PENETRATE.
Ø1.209
30°
1.199
2-12UN-2A
32
0.505
1
0.067
1
3
0.495
32R
8
0.057
16
0.786
30°
29
0.027
0.776
32
1332
0.023
7
32
0.066
2.224
30°
0.062
2.214
0.442
Ø1.302
0.051
0.432
1.292
0.041
Ø1.189
1.185
63
1
63
*
8
***
1
16R
2.224
2.214
723
32
**
+0.015
Ø0.795 -0.015
5.880
5.870
1
UNDERCUT.
8
2.005
0.059R
1.995
0.049
1.750-12UN-2A
115
6
0.072
0.190
13
0.068
0.180
16
Ø1.114
1.104
Ø1.555
1.250-12UNF-2B
1.545
Ø1.630
1.620
Ø1.750
1.745
Ø1..995
2 005
* 0.051R
0.041
0.097
** PIN, Ø 0.087 LG. TO SUIT M24231/5-071
*** WELD.
125 ALL OVER EXCEPT
AS SHOWN.
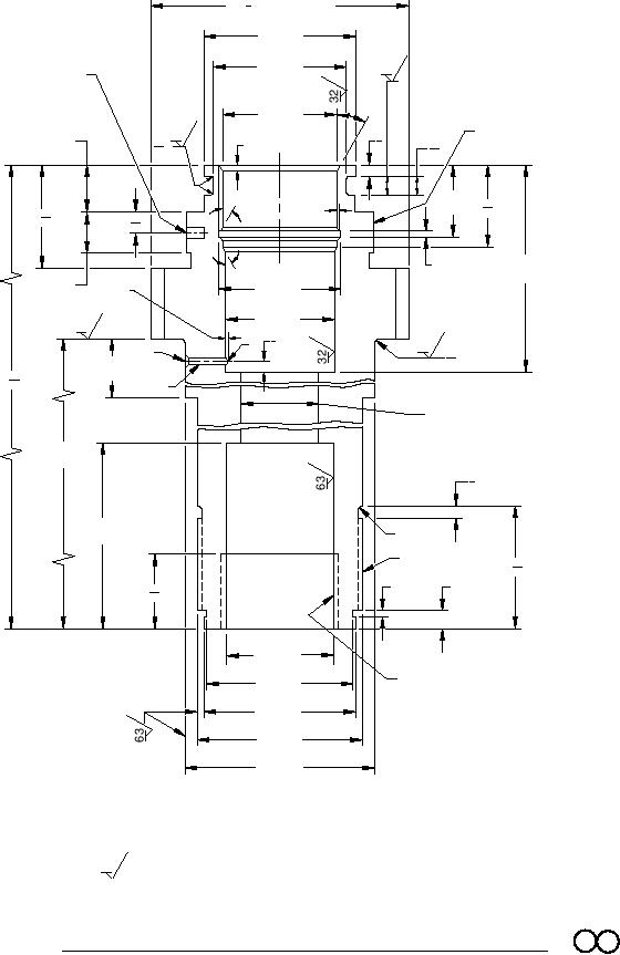
FIGURE 2. Assembly, single cable connector body M24231/9-030, M24231/9-040.
4
5
3
For Parts Inquires submit RFQ to Parts Hangar, Inc.
© Copyright 2015 Integrated Publishing, Inc.
A Service Disabled Veteran Owned Small Business