
MIL-DTL-24231/9E(SH)
C
L
C
L
0.250
0.250
1.178
Ø1.168
Ø15
16
29 PIN, CONTACT
1
16
+31
0.058
13 2
32 - 1
0.048
32
1
4
1
3
32R
16
0.967
Ø0.963
MOLDED EPOXY RESIN 33
1.505
1.495
1
2
1
4
CABLE, M24231/9-025 OR
GROOVE 0.060 R
31 32
0.050
M24231/9-026
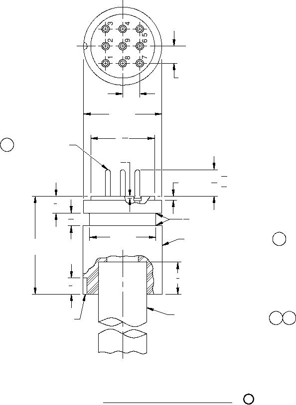
FIGURE 3. Assembly, insert, molded M24231/9-020.
7
5
For Parts Inquires submit RFQ to Parts Hangar, Inc.
© Copyright 2015 Integrated Publishing, Inc.
A Service Disabled Veteran Owned Small Business