
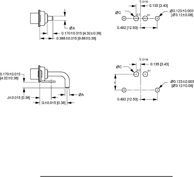
MIL-DTL-24308/30
M24308/30-001, -002, -007, -008
M24308/30-003, -004, -005, -006, -009, -010, -011, -012
2WK2 POWER CONNECTOR
FIGURE 3. Termination dimensions and layout arrangement for, power connector.
3
For Parts Inquires submit RFQ to Parts Hangar, Inc.
© Copyright 2015 Integrated Publishing, Inc.
A Service Disabled Veteran Owned Small Business