
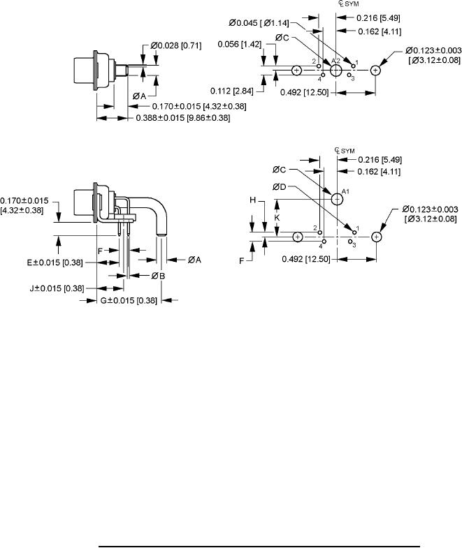
MIL-DTL-24308/30
M24308/30-101, -102, -107, -108
M24308/30-103, -104, -105, -106, -109, -110, -111, -112
5W1 POWER CONNECTOR
FIGURE 3. Termination dimensions and layout arrangement for power connector.
4
For Parts Inquires submit RFQ to Parts Hangar, Inc.
© Copyright 2015 Integrated Publishing, Inc.
A Service Disabled Veteran Owned Small Business