
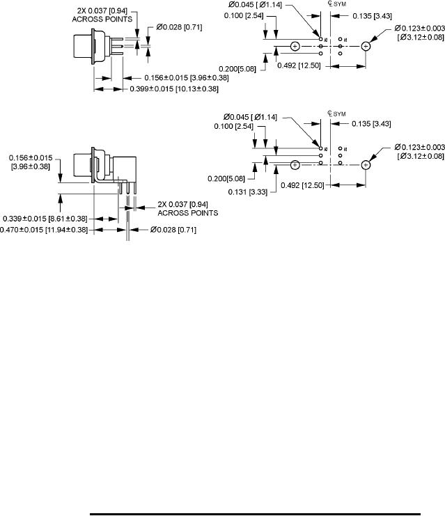
MIL-DTL-24308/30
M24308/30-013, -014
M24308/30-015, -016
2WK2 SHIELDED CONNECTORS
FIGURE 4. Termination dimensions and layout arrangement for shielded connector.
6
For Parts Inquires submit RFQ to Parts Hangar, Inc.
© Copyright 2015 Integrated Publishing, Inc.
A Service Disabled Veteran Owned Small Business