
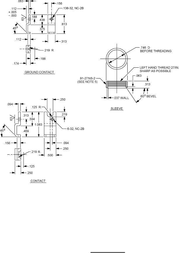
MIL-DTL-2726/50D
Inches
mm
.005
0.13
.037
0.94
.063
1.59
.094
2.38
.112
2.84
.125
3.18
.156
3.97
.174
4.42
.188
4.76
.219
5.56
.250
6.35
.313
7.94
.438
11.11
.469
11.91
.500
12.70
.594
15.08
.625
15.88
NOTES:
.746
18.95
1. Dimensions are in inches.
.813
20.64
2. Metric equivalents are given for general information only.
1.063
26.99
3. Unless otherwise specified, tolerance is ± .016 inch (0.41 mm).
4. Angular tolerance is ± 0.5°.
5. Instruction sheet: An instruction sheet, (on paper 4-3/4 by 4-3/4 inches) with the information shown
on figure 4 shall be furnished with each plug.
FIGURE 2. Plug tip assembly Continued.
3