
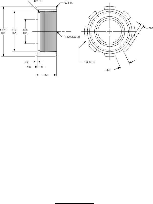
MIL-DTL-2726/50D
Inches
mm
.031
0.794
.093
2.362
.094
2.381
.250
6.350
.626
15.900
.656
16.662
.812
20.625
1.375
34.925
NOTES:
1. Dimensions are in inches.
2. Metric equivalents are given for general information only.
3. Tolerance is ± .010 or ± .010 per linear inch, whichever is greater.
4. Angular tolerance is ± .50°.
5. Threads shall be as specified in FED-STD-H28/2.
6. The part number, tube size, and manufacturer's logo or name shall be in .125-inch high raised
letters on the face of the cap.
FIGURE 5. Stuffing tube cap, nylon.
7