
MIL-DTL-28748/10G
.570
±.010
.923
.470
±.010
±.010
.287
φ .149 ±.006 THRU
±.010
MOUNTING HOLE OR
C
.218
L
MOUNTING SLEEVE
.59
±.010
A
(SEE DETAIL A) TYP
.250
SPACER
JACKSCREW
.312
RETAINING
.138-32 UNC-2A
1.675
HEX
RING
SEE JACKSCREW
±.010
Y
X
TABLE
1.300
Z
C
W
L
±.005
.225 .300
.956
3/32 HEX
N
V
.375
WRENCH HOLE
±.010
POLARIZING BOSS
IN "N" POSITION
B
SEE JACKSCREW TABLE
1.42
.057 R
WITHOUT
.130
MAX
TYP
JACKSCREW
GUIDE PIN
1.83
WITH
.156
φ .138 ±.002
MAX
SEE GUIDE PIN TABLE
JACKSCREW
TYP
OR GUIDE PIN
φ.149 ±.006
φ.149 ±.006
.34
POLARIZING
MOUNTING HOLE
BOSS "N"
MOUNTING SLEEVE
POSITION SHOWN
.002
(NORMAL)
DETAIL A
.225
Inches
mm
Inches
mm
.002
0.05
.312
7.92
.005
0.13
.340
8.64
.006
0.15
.375
9.53
.010
0.25
.470
11.94
.057
1.45
.570
14.48
.094
2.39
.579
15.71
.130
3.30
.590
14.99
.138
3.51
.838
21.29
.149
3.78
.923
23.44
.156
3.96
.956
24.28
.218
5.54
1.300
33.02
.225
5.72
1.38
35.05
.250
6.35
1.420
36.07
.287
7.29
1.675
42.55
.300
7.62
1.83
46.48
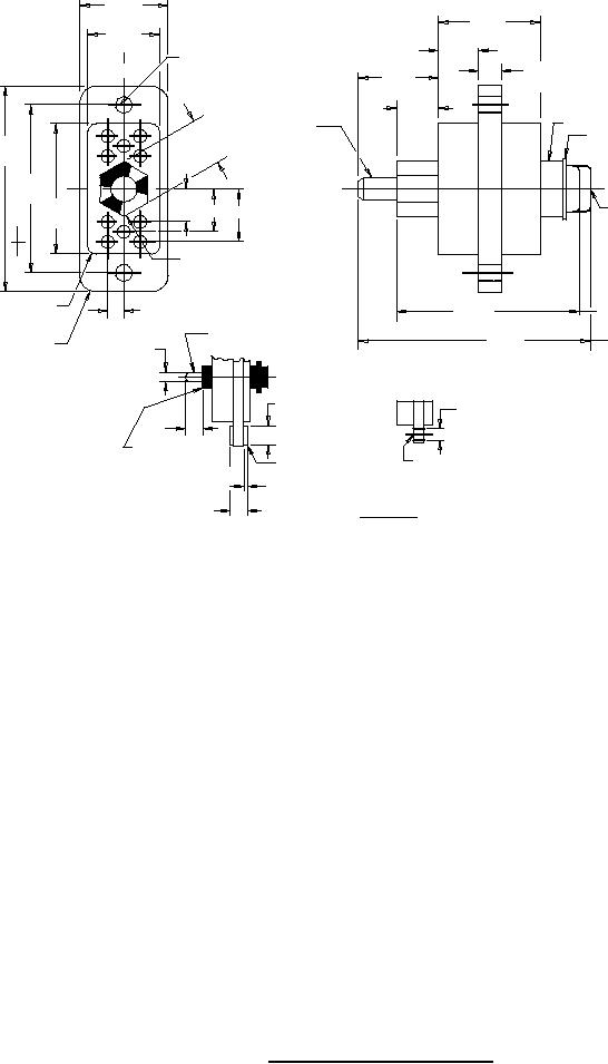
Insert with through hole configuration A
Insert with mounting sleeve configuration J
FIGURE 3. Insert configuration 10 position insert .
3
For Parts Inquires submit RFQ to Parts Hangar, Inc.
© Copyright 2015 Integrated Publishing, Inc.
A Service Disabled Veteran Owned Small Business