
MIL-DTL-28748/10G
.830
±.010
.923
.730
±.010
±.010
.287
φ 149 ±.006 THRU
±.010
MOUNTING HOLE OR
C
.218
L
MOUNTING SLEEVE
.59
±.010
(SEE DETAIL A) TYP
A
.25
SPACER
JACKSCREW
.312
RETAINING
.138-32 UNC-2A
1.675
HEX
RING
SEE JACKSCREW
±.01
V
N
TABLE
1.300
W
Z
C
L
±.005
.15
.225 300
.956
3/32 HEX
.375
X
Y
±.010
WRENCH HOLE
.838
±.005
POLARIZING BOSS
IN "N" POSITION
B
SEE JACKSCREW
TABLE
1.42
130
057 R
WITHOUT
260
MAX
TYP
JACKSCREW
1.83
WITH
156 R
MAX
JACKSCREW
TYP
OR GUIDE
φ .138 ±.002
GUIDE PIN
SEE GUIDE PIN TABLE
φ .149 ±.006
φ.149 ±.006
.34
POLARIZING
MOUNTING
BOSS "N"
MOUNTING HOLE
SLEEVE
POSITION SHOWN
(NORMAL
.002
.225
DETAIL A
Inches
mm
Inches
mm
Inches
mm
.002
0.05
.156
3.96
.415
10.54
.005
0.13
.218
5.54
.590
14.99
.006
0.15
.225
5.72
.730
18.54
.010
0.25
.250
6.35
.830
21.08
.057
1.45
.260
6.60
.956
24.28
.094
2.39
.287
7.29
1.300
33.02
.130
3.30
.300
7.62
1.38
35.05
.138
3.51
.312
7.92
1.420
36.07
.149
3.78
.340
8.64
1.675
42.55
.150
3.81
.375
9.53
1.83
46.48
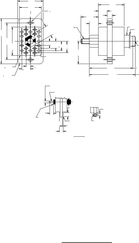
Insert with through mounting hole configuration B.
Insert with mounting sleeve configuration K.
FIGURE 4. Insert configuration 20 position insert.
5
For Parts Inquires submit RFQ to Parts Hangar, Inc.
© Copyright 2015 Integrated Publishing, Inc.
A Service Disabled Veteran Owned Small Business