
MIL-DTL-28748/10G
.830
±.010
.730
.923
±.010
±.010
φ.149 ±.006 THRU
.287
MOUNTING HOLE OR
C
L
±.010
MOUNTING SLEEVE
.218 ±.010
(SEE DETAIL A) TYP
.59
A
.25
JACKSCREW
SPACER
.138-32 UNC-2A
312
SEE JACKSCREW
RETAINING RING
2.125
HEX
TABLE
±.010
Y
X
.225
1.750
W
.300
C
Z
L
±.005
.150
1.406
3/32 HEX
N
.375 .450 .600
±.010
V
WRENCH HOLE
.525
POLARIZING BOSS
B
IN "N" POSITION
1.42
SEE JACKSCREW TABLE
WITHOUT
MAX
.130
.057R
JACKSCREW
.260
1.83
TYP
WITH
MAX
JACKSCREW
.156 R
OR GUIDE PIN
TYP
φ.138 ±.002
GUIDE PIN
SEE GUIDE PIN TABLE
φ.149 DIA ±.006
POLARIZING BOSS "N"
φ.149 ±.006
POSITION SHOWN (NORMAL)
.34
MOUNTING
MOUNTING HOLE
SLEEVE
.002
.225
DETAIL A
Inches
mm
Inches
mm
Inches
mm
.002
0.05
.218
5.54
.525
13.34
.005
0.13
.225
5.72
.590
14.99
.006
0.15
.250
6.35
.600
15.24
.010
0.25
.260
6.60
.730
18.54
.057
1.45
.287
7.29
.830
21.08
.094
2.39
.300
7.62
.923
23.44
.130
3.30
.312
7.92
1.38
35.05
.138
3.51
.340
8.64
1.406
35.71
.149
3.78
.375
9.53
1.750
44.45
.150
3.81
.415
10.54
1.83
46.48
.156
3.96
.450
11.43
2.125
53.98
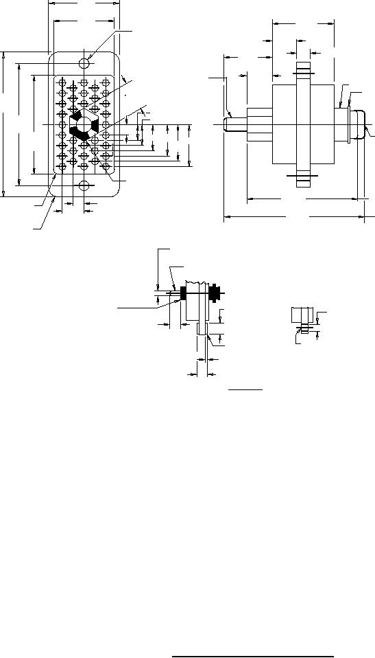
Insert with through mounting hole configuration C.
Insert with mounting sleeve configuration L.
FIGURE 5. Insert configurations Insert with 36 positions.
7
For Parts Inquires submit RFQ to Parts Hangar, Inc.
© Copyright 2015 Integrated Publishing, Inc.
A Service Disabled Veteran Owned Small Business