
INCH-POUND
MIL-DTL-55302/118E
9 January 2004
SUPERSEDING
MIL-C-55302/118D
7 June 1993
DETAIL SPECIFICATION SHEET
CONNECTORS, PRINTED CIRCUIT SUBASSEMBLY AND ACCESSORIES:
PLUG, DECADE INCREMENT 20 THROUGH 110 AND 128 CONTACT POSITIONS,
FOR PRINTED WIRING BOARDS (.050 SPACING)
This specification is approved for used by all Departments and Agencies of the Department of Defense.
The requirements for acquiring the product described herein shall consist of this specification sheet and
MIL-DTL-55302.
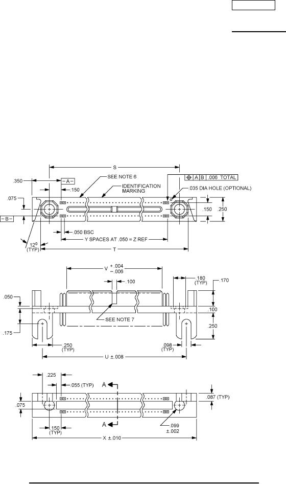
FIGURE 1. Connectors, plug without pin protectors, .050 (1.27 mm) spacing for style 1.
AMSC N/A
FSC 5935
For Parts Inquires submit RFQ to Parts Hangar, Inc.
© Copyright 2015 Integrated Publishing, Inc.
A Service Disabled Veteran Owned Small Business