
MIL-DTL-55302/118E
Inches
mm
Inches
mm
Inches
mm
.001
0.03
.054
1.37
.170
4.32
.004
0.10
.055
1.40
.173
4.39
.005
0.13
.070
1.78
.175
4.44
.006
0.15
.075
1.90
.177
4.50
.008
0.20
.098
2.49
.180
4.57
.009
0.23
.100
2.54
.225
5.72
.010
0.25
.109
2.77
.250
6.35
.015
0.38
.113
2.87
.280
7.11
.018
0.46
.132
3.35
.340
8.64
.022
0.56
.140
3.56
.350
8.89
.050
1.27
.150
3.81
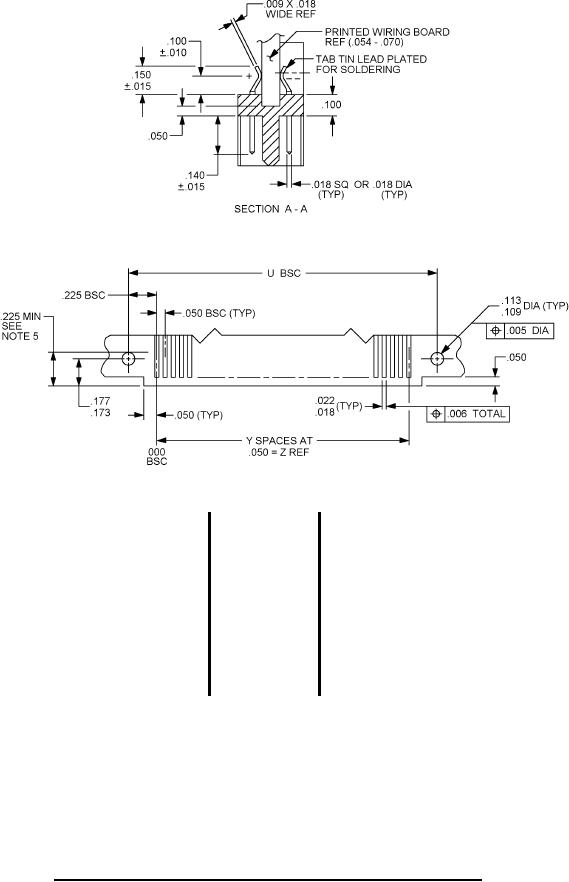
NOTES:
1. Dimensions are in inches.
2. Metric equivalents are given for information only.
3. Unless otherwise specified, tolerances are ±.005 (0.13 mm) and ±2° on angles.
4. These connectors mate with connectors specified in MIL-DTL-55302/119.
5. Minimum pad length on printed wiring board.
6. Numbers indicating end positions stamped this side only.
7. Except 20 through 50 positions.
FIGURE 1. Connectors, plug without protectors, .050 (1.27 mm) spacing for style 2 - Continued.
4
For Parts Inquires submit RFQ to Parts Hangar, Inc.
© Copyright 2015 Integrated Publishing, Inc.
A Service Disabled Veteran Owned Small Business