
INCH-POUND
MIL-DTL-55302/142C
7 March 2005
SUPERSEDING
MIL-C-55302/142B
17 November 1988
DETAIL SPECIFICATION SHEET
CONNECTORS, PRINTED CIRCUIT SUBASSEMBLY AND ACCESSORIES,
RECEPTACLE WITH SOCKET CONTACTS, FOR PRINTED WIRING BOARDS
(.100 INCH SPACING)
This specification is approved for use by all Departments and Agencies of the Department of Defense.
The requirements for acquiring the product described herein shall consist of this specification sheet and
MIL-DTL-55302.
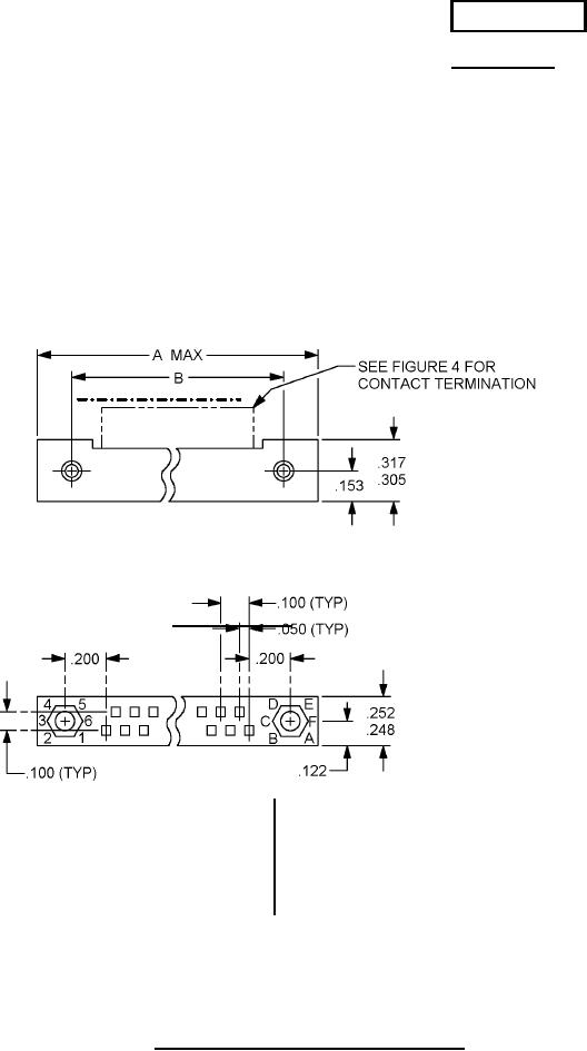
Inches
mm
Inches
mm
.050
1.27
.248
6.30
.100
2.54
.252
6.40
.122
3.10
.305
7.45
.153
3.89
.317
8.05
.200
5.08
NOTES:
1. Dimensions are in inches.
2. Metric equivalents are given for information only.
3. Unless otherwise specified, tolerance is ± .005 (0.13 mm).
FIGURE 1. Connector, receptacle (.100 inch spacing).
AMSC N/A
FSC 5935