
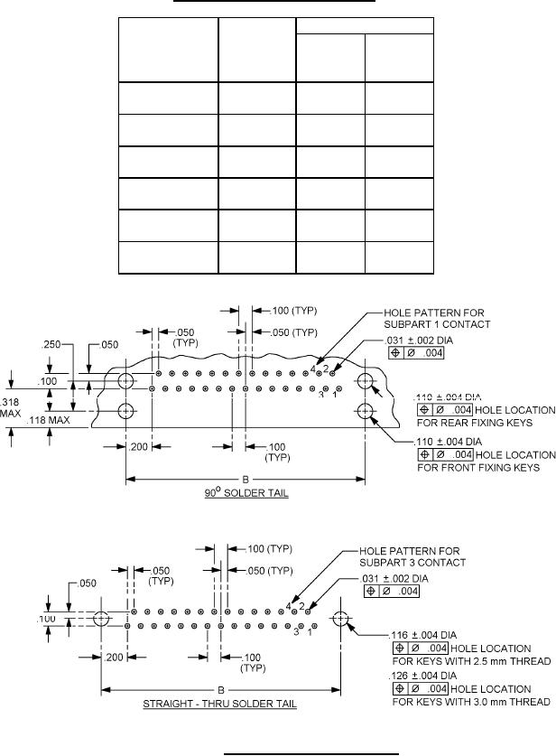
MIL-DTL-55302/142C
Arrangements and characteristics.
Contact
Number of
Dimensions (inches)
arrangement
contacts
A
B
± .006
max
(0.15)
M55302/142A
17
1.516
1.200
(38.50)
(30.48)
M55302/142B
29
2.114
1.800
(53.70)
(45.72)
M55302/142C
33
2.314
2.000
(58.80)
(50.80)
M55302/142D
41
2.716
2.400
(69.00)
(60.96)
M55302/142E
53
3.315
3.000
(84.20)
(76.20)
M55302/142F
65
3.917
3.60
(99.50)
(91.44)
FIGURE 2. Recommended hole patterns.
2